產品目錄
蒸汽流量計
渦街流量計
孔板流量計
壓縮空氣流量計
氣體流量計
熱式氣體質量流量計
旋進旋渦流量計
金屬管浮子流量計
氣體羅茨流量計
電磁流量計
渦輪流量計
橢圓齒輪流量計
水流量計
液體流量計
超聲波流量計
磁翻板液位計
浮子液位計
浮球液位計
玻璃管液位計
雷達液位計
超聲波液位計
投入式液位計
壓力變送器
差壓變送器
液位變送器
溫度變送器
熱電偶
熱電阻
雙金屬溫度計
推薦產品
聯系我們
聯系電話:13655235852
服務熱線:0517-86801009
公司傳真:0517-86801007
公司郵箱:1464856260@qq.com
公司地址:江蘇省金湖縣理士大道61號
燃氣羅茨流量計
- 品*:JKM/凱銘儀表
- 型號:JKM-LLQ
- 測量范圍:1-650m3/h
- 精度等級:1.0級/1.5級
- 公稱通徑:DN25-DN100
- 適用介質:天燃氣、城市煤氣
- 工作壓力:400KPa
- 工作溫度:≤80℃
- 供電方式:24V DC + 3.6V DC(鋰電池)
- 訂貨號:HGN795485FMO
燃氣羅茨流量計是在羅茨流量計基礎上集成流量、溫度、壓力傳感器和智能化儀表的新型流量計。是測量天燃氣、城市煤氣、丙烷、氮氣、工業惰性氣體等非腐蝕性氣體的的理想儀表。

燃氣羅茨流量計,主要由殼體、共軛轉子和智能流量積算儀等部件構成。裝于計量室內的一對共軛轉子在流通氣體的出入口壓差(P 入>P 出)作用下,通過精密加工的調校齒輪使轉子保持正確的相對位置。轉子間、轉子與殼體、轉子與墻板間保持*佳工作間隙,實現了連續的無接觸密封。轉子每轉動一周,輸出四倍計量室有效容積的氣體。

一、燃氣羅茨流量計產品特點
1.高精度、高重復性:長期精度不受介質的影響,長期運行,精度穩定;
2.高集成度,低功耗:采用先進的微機技術與高性能的集成芯片,整機功能強大,性能優越;
3.基本輸出完整:智能流量計帶有基表脈沖輸出、工況或標況脈沖信號輸出,和標定脈沖輸出。也可根據用戶需要輸出 4~20mA 模擬量信號或 RS485 通訊;
4.數據追溯管理:實時數據庫,通過 RS-485 通訊接口,可查詢分析;
5.分段修正:按流量頻率信號,可將儀表系數分九段自動進行線性修正,提高儀表的寬范圍精度;
6.完整數據存儲功能:采用 E2PROM 數據存儲芯片,保存用戶參數、廠家參數,及時的數據保存功能,可防止突然掉電時數據丟失,在停電狀態下,內部參數可永久性保存;
7.GPRS 實時管理系統:本系列中,B 型表具有 GPRS 傳輸功能,可在線、定時長、定點實現傳輸功能,監測儀表、控制閥、管線壓力、燃氣報警器等數據,*其容易組建GPRS無線網絡系統;
二、燃氣羅茨流量計技術參數

三、燃氣羅茨流量計流量范圍

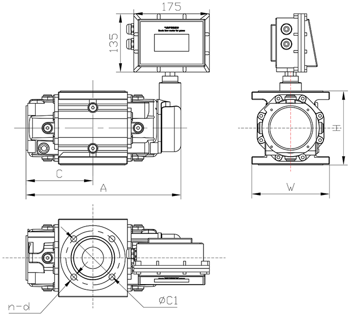
四、燃氣羅茨流量計產品尺寸


五、燃氣羅茨流量計產品選型

六、燃氣羅茨流量計應用領域

燃氣羅茨流量計是集成流量、溫度、壓力傳感器和智能化儀表的新型流量計,測量天燃氣、城市煤氣、丙烷、氮氣、工業惰性氣體等非腐蝕性氣體的的理想儀表。

